行业知识

继电保护常用文字符号汇总

2024-07-05 09:00:41 科威

继电保护常用文字符号汇总

图片关键词

1、看图要领:

1)先交流、后直流、交流看电源,直流找线圈;抓住触点不放松,一个一个全查清;

2)先上后下,先左后右,屏外设备一个也不漏。

说明:该要领为电磁型保护二次图纸看图方法,目前微机型保护二次图纸有所区别,但以上看图要领仍有一定的参考价值。


2、微机型保护二次图纸看图方法:

1)认识元件及元件编号、功能。元件编号在图纸中具有唯一性,这点应特别注意,在几张图纸中,可能只有一张图纸上标有元件功能及所处位置,在其它图中并未说明。

2)认识回路编号。某些特定的回路具有统一编号,这点应牢记,对以后看图起到很大的作用。如跳闸回路33、133、233等,合闸回路3、103;电流回路400-599,电压回路600-799等等。

3)端子排(左右两侧相通)。端子排在图纸中起到至关重要的作用,会看懂端子排是看懂二次回路的前提,端子排以下举例:

图片关键词

4)二次回路看图

220kV变电所图纸一般没有电磁型保护的展开图、原理图。很多时候需要根据图纸将原理图画出来。因此,首先需具备一定的业务知识,对该设备、原理有一定的认识。微信公众号:继保小家,一个学技术的平台。

二次回路看图方法:从源头着手(正电源),根据端子排、电缆走向、回路编号至负电源或进装置。或从某一元件着手,左右两端查找回路,直到找到电源端或进装置。应特别注意的一点是:某些端子上有2根或多根接线,一定注意找相对应的回路编号。

5)220kV变电所图纸特点

220kV变电所图纸与110kV变电所图纸的区别在于有厂家白板图,对应的一次设备、二次设备有对该装置本身的图纸,110kV变电所图纸集中在了自身的图纸中。

6)西门子断路器厂家图纸看图方法(包括外资闸刀)

1.图纸中注意横坐标(1-2-3-4……,图纸顶部)、纵坐标(A-B-C-D-E…..,图纸左侧)、本页图纸编号(ZZA/M1 …..,图纸右下侧)。

2.图纸中每一元件都有相应的标识及位置编号。如Y1/ZM2,即在图纸ZM2中,对Y1有说明。

3.注意图纸中说明的原始状态。

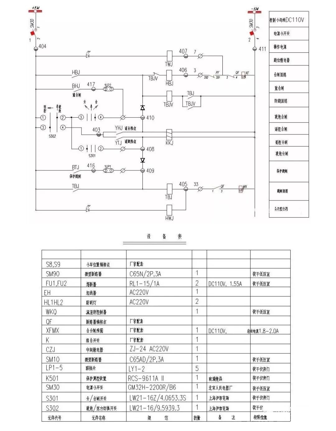
附:10kV开关控制回路,通过学习此图,了解看图的基本方法。

图片关键词

说明:

1)+KM,-KM,为屏顶控制电源小母线,从直流馈线屏上引出。

2)SM30为控制电源小开关,供开关的控制回路及保护装置电源。

3)图中带半个实心的小圆圈为保护装置的后背端子,无实心的小圆圈为开关二次小室内端子排上的端子。

4)TWJ、HWJ、TBJ、HBJ、TBJV为继电器,微机保护装置中,该继电器在集成电路中,而电磁型保护则用继电器实现,但基本原理是一样的。

5)S302为远近控切换开关,当在水平方向是为远控,3-4接点接通;当在垂直方向时为近控,1-2接点接通。(注意竖直线上的小原点,表示相应接点接通)。

6)S301为控制开关,原理同上。

7)PF为断路器储能辅助接点,QF为断路器辅助接点,XF、MX为分、合闸线圈。均为开关机构内的元件。

8)当前图上指的是断路器分闸位置,动作过程:远近控切换开关在近控位置,当KK开关达到合位置,3-4接点接通,同时接通合闸回路,如上图所示,合闸回路全是常闭接点。同时使HBJ(合闸保持继电器)励磁,其常开接点HBJ接通,接通合闸回路,此刻,与KK开关无关了。因此,在操作过程中,操作KK开关无需长期切在合位置,只需给合闸回路一个触发就可以立即返回了。

9)当合闸结束后,断路器常闭辅助接点2-4断开,切断合闸回路,HBJ继电器返回,同时断路器常开接点1-3接通,为分闸做准备。分闸回路同理。

10)防跳回路:防跳:指因合闸脉冲一直存在,合闸回路接通,当合闸于故障点时,保护将动作跳开断路器,但因合闸脉冲一直存在,断路器将合闸于故障点上,保护再将断路器跳开,断路器将反复分合,这种情况称为开关跳跃,防跳的目的即是防止开关发生跳跃的情况。

防跳功能的实现:通过继电器TBJV及其接点实现,若断路器在近控位置,如图所示,正常情况下,TBJV继电器不励磁,当断路器分闸时,TBJ励磁,其常开接点接通,若此时,KK开关的3-4接点长期接通,则会使得TBJV励磁,其常开接点闭合,常闭接点断开,因此,在合闸回路内的常闭接点断开,常开接点闭合后使TBJV自保持,从而实现防跳功能。


首页
产品
新闻
联系