新闻动态
KWZK科威自控集团
网站首页
关于我们
公司简介
在线反馈
开云(中国)
产品展示
全部
传感器/变送器
流量计系列
液位/料位系列
阀门/执行装置
液压/气动元件
检维修工器具
化验/分析仪器
其他机电仪产品
新闻动态
全部
行业知识
企业新闻
资料下载
客户案例
新闻动态
推荐
热门
最新
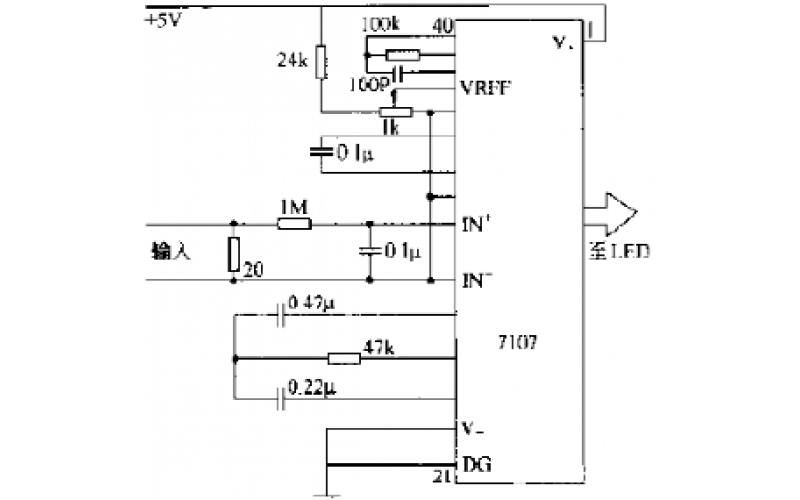
QWF-L6系列积算指示仪的改进
QWF-L6系列积算指示仪的改进
2022-10-05
科威
上一页
1
下一页
转至第
首页
产品
新闻
联系
球友会
|
押球平台
|
时搏官方网站
|
华体网页版
|
完美在线平台
|
AK正规平台_ak(中国)
|
MK平台
|
米兰在线注册
|
乐动在线登录官网
|